Toote ülevaade
GOST Standard Teekasutatakse laialdaselt rakendustes, mis nõuavad voolu usaldusväärset ümbersuunamist või ühendamist. Saadaval võrdsetes, kahanevas, 45-kraadises ja Y--tüüpi konfiguratsioonis ning need sobivad sellistes tööstusharudes nagu nafta ja gaas, keemiline töötlemine, energiatootmine, laevaehitus ja kommunaalehitus. Disain tagab ühtlase jõudluse kõrge rõhu, kõrgendatud temperatuuride ja söövitavate tingimuste korral.
Toote parameetrid
|
Parameeter |
Üksikasjad |
|
Täitmise standard |
GOST 17376 |
|
Toote tüübid |
Võrdne T-, Reduktor-T-, Equal-rist-, Reduktor-rist-, 45-kraadine T-, Y--tüüpi T-i |
|
Suuruste vahemik |
21,3 mm - 1016 mm |
|
Seina paksuse vahemik |
2mm - 60mm |
|
Ühenduse tüüp |
Põkkkeevitus (BW) |
|
Materjali kategooriad |
Süsinikteras, roostevaba teras, legeerteras |
|
Pinnatöötlus |
Paljas pind, roostevastane õli, -korrosioonivastane värv, kuum-tsinkimine |
|
Pakkimismeetod |
Puidust kast, puidust kaubaalus |
|
Toitevõimsus |
1000 tonni/kuus | |
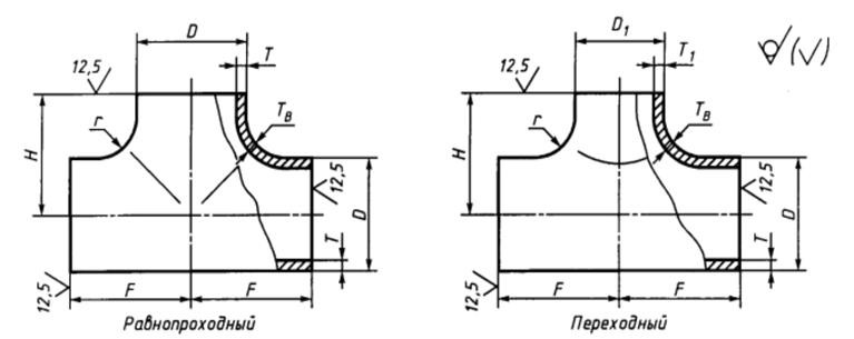
Toote mõõtmed
GOST 17376-2001 TEES
Teede mõõdud

|
DN |
D |
T |
D1 |
T1 |
F |
H |
Macca (kg) |
|
100 |
114.3 |
3.6 |
88.9 |
3.2 |
105 |
98 |
4.5 |
|
6.3 |
5.6 |
7.8 |
|||||
|
8.8 |
8 |
10 |
|||||
|
3.6 |
114.3 |
3.6 |
105 |
4.5 |
|||
|
6.3 |
6.3 |
7.8 |
|||||
|
8.8 |
8.8 |
10 |
|||||
|
125 |
139.7 |
4 |
76.1 |
2.9 |
124 |
108 |
3.4 |
|
6.3 |
5 |
5.3 |
|||||
|
10 |
7.1 |
16 |
|||||
|
4 |
88.9 |
3.2 |
111 |
3.4 |
|||
|
6.3 |
5.6 |
5.3 |
|||||
|
10 |
8 |
16 |
|||||
|
4 |
114.3 |
3.6 |
117 |
3.4 |
|||
|
6.3 |
6.3 |
5.3 |
|||||
|
10 |
8.8 |
16 |
|||||
|
4 |
139.7 |
4 |
124 |
3.4 |
|||
|
6.3 |
6.3 |
5.3 |
|||||
|
10 |
10 |
16.00 |
|||||
|
150 |
168.3 |
4.5 |
88.9 |
3.2 |
143 |
124 |
9.4 |
|
7.1 |
5.6 |
16 |
|||||
|
11 |
8 |
24 |
|||||
|
4.5 |
114.3 |
3.6 |
130 |
9.4 |
|||
|
7.1 |
6.3 |
16 |
|||||
|
11 |
8.8 |
24 |
|||||
|
4.5 |
139.7 |
4 |
137 |
9.4 |
|||
|
7.1 |
6.3 |
16 |
|||||
|
11 |
10 |
24 |
|||||
|
4.5 |
168.3 |
4.5 |
143 |
9.4 |
|||
|
7.1 |
7.1 |
16 |
|||||
|
11 |
11 |
24 |
|||||
|
200 |
219.1 |
6.3 |
114.3 |
3.6 |
178 |
156 |
16 |
|
8 |
6.3 |
20 |
|||||
|
12.5 |
8.8 |
43 |
|||||
|
6.3 |
139.7 |
4 |
162 |
16 |
|||
|
8 |
6.3 |
20 |
|||||
|
12.5 |
10 |
43 |
|||||
|
6.3 |
168.3 |
4.5 |
168 |
16 |
|||
|
8 |
7.1 |
20 |
|||||
|
12.5 |
11 |
43 |
|||||
|
6.3 |
219.1 |
6.3 |
178 |
16 |
|||
|
8 |
8 |
20 |
|||||
|
12.5 |
12.5 |
43 |
|||||
|
250 |
273 |
6.3 |
139.7 |
4.3 |
216 |
191 |
33 |
|
10 |
6.3 |
52 |
|||||
|
6.3 |
168.3 |
4.5 |
194 |
33 |
|||
|
10 |
7.1 |
52 |
|||||
|
6.3 |
219.1 |
6.3 |
203 |
33 |
|||
|
10 |
7.1 |
52 |
|||||
|
6.3 |
273 |
6.3 |
216 |
33 |
|||
|
10 |
10 |
52 |
|||||
|
300 |
323.9 |
7.1 |
168.3 |
4.5 |
254 |
219 |
47 |
|
10 |
7.1 |
66 |
|||||
|
7.1 |
219 |
6.3 |
229 |
47 |
|||
|
10 |
8 |
66 |
|||||
|
7.1 |
273 |
6.3 |
241 |
47 |
|||
|
10 |
8 |
66 |
|||||
|
7.1 |
323.9 |
7.1 |
254 |
47 |
|||
|
10 |
10 |
66 |
Märkus.Täielik mõõtmete valik sisaldab suurusi alates DN 100 kuni DN 300, koos harude läbimõõdu ja seinapaksusega. Täielikud andmed leiate tehnilisest dokumentatsioonist.



Toote eelised
· Vastavus standardile GOST 17376:Kõik T-d on valmistatud rangete mõõtmete ja mehaaniliste standardite järgi, tagades töökindluse nõudlikes rakendustes, nagu kõrgsurveaur ja söövitav aine.
· Materjali mitmekülgsus:Saadaval süsinikterasest, roostevabast terasest ja legeeritud klassidest, sealhulgas 12Х18Н10Т (roostevaba) ja WB36, mis võimaldab valida temperatuuri, rõhu ja korrosiooninõuete alusel.
Peamised rakendused
· Nafta- ja gaasitööstus:Kasutatakse torujuhtme harudes, kompressorjaamades ja mõõtesüsteemides, kus rõhu terviklikkus on kriitiline.
· Keemiline ja elektritootmine: GOST Standard TeeSobivad reaktori torustike, soojusvahetite ja katlasüsteemide jaoks, mis nõuavad vastupidavust termilisele ja keemilisele pingele.
· Meretehnika:Kasutatakse ballastisüsteemides, kütusetorudes ja tulekustutusahelates, kus mereveekindlus on hädavajalik.
KKK
Kuum tags: gost standard tee, Hiina gost standard tee tootjad, tarnijad, tehas
